- Можно ли заменить элемент заполнения в откатных воротах и калитках серии Prestige?
Конструкция профилей предусматривает возможность быстрой замены поврежденных элементов без предварительной разборки рамы при демонтаже заполнения. Это достигается за счет крепления при помощи профилей штапика.
- Какой класс защиты у решеток?Роллетные решетки соответствуют классам защиты от взлома P3-P4 по ГОСТ Р 52502‑2012. Кроме этого, в ассортименте представлено специализированное решение — противоураганные системы, сертифицированные на класс защиты P5.
- Какой материал используется для изготовления роллетных ворот?
Основной материал для изготовления роллетных ворот — алюминиевая лента — обеспечивает высокую устойчивость конструкции к коррозии, воздействию атмосферных осадков, перепадам температур, гарантирует прочность, надежность и экологическую чистоту. Заполнение профилей качественной и равномерной пеной без пустот и полостей защищает профили от деформации при эксплуатации.
- Чем отличаются роллеты для наружного и внутреннего использования? Какие стоят дешевле?
Отличий нет, внутренние и наружные рольставни «АЛЮТЕХ» – это одинаковые конструкции. Зато есть разница между изделиями разных серий. Рольставни экономичной серии Trend обладают базовой антивандальной защитой. Роллеты Prestige – улучшенной взломостойкостью и разнообразием вариантов оформления. Изделия серии Security – максимальной защитой от злоумышленников.
Цена на внутренние и наружные металлические рольставни зависит только от их серии, размера, цвета и комплектации.
- Не протекают ли стыки между сэндвич-панелями на крыше тамбура?
Перегрузочный тамбур ALUTECH DH c обшивкой сэндвич-панелями обеспечивает отличную герметизацию и теплоизоляцию перегрузочного поста. Защищает персонал и технику от воздействия атмосферных осадков и других неблагоприятных погодных условий.
На крышу тамбура поверх сэндвич-панелей дополнительно устанавливается профилированный лист, что исключает попадание воды внутрь помещения в местах соединения панелей.

Также отвод осадков обеспечивают наклон крыши тамбура вперед на 5° и водосточный желоб в стандартной комплектации.
- Как защитить помещение и кузов автомобиля от попадания внутрь дождевой воды при погрузке-разгрузке?
Конструкция герметизатора проема ALUTECH DSF в стандартном исполнении обеспечивает эффективную защиту груза и персонала от неблагоприятных погодных условий:
- уклон верхнего перекрытия под углом 10° вперед предотвращает скапливание осадков;
- передние профили с выступающими желобами обеспечивают отвод воды по бокам конструкции.

- Существуют ли ограничения допустимой нагрузки на уравнительную платформу в зависимости от типа погрузочного средства?
Максимально допустимая нагрузка на уравнительные платформы ALUTECH серий SL и TL составляет 60 кН (6 тонн). При этом в ходе эксплуатации уравнительной платформы в местах движения колес погрузчика могут образовываться небольшие вмятины. Подобная деформация является допустимой в соответствии c предельными значениями, указанными в стандарте EN 1398, и не влияет на работоспособность изделия.
Однако использование погрузочных средств с колесами небольшого размера или из жесткого материала ведет к увеличению точечной нагрузки. Во избежание серьезной деформации уравнительной платформы следует придерживаться ограничений по допустимой нагрузке в зависимости от типа погрузчика.

- Какое заполнение помимо сэндвич-панелей и алюминиевых профилей можно выбрать для распашных ворот и калиток серии Prestige?
Для въездных ворот серии Prestige есть возможность изготовить заполнение из любых материалов: деревянной доски, металлической сетки, металлического профилированного листа и т.д. Масса заполнения в изделии не должна превышать 12 кг⁄м².
- Какими системами безопасности могут быть оснащены откатные ворота?
Дополнительную гарантию безопасности для вашего имущества и здоровья в процессе эксплуатации ворот обеспечат фотоэлементы и сигнальная лампа.
- Можно ли открыть автоматически сразу несколько решеток?
Да, при помощи автоматики ALUTECH можно подобрать нужный вариант управления для максимального комфорта и простоты управления. Например, при использовании электроприводов со встроенным радиоприемником можно сразу открыть все роллеты на 1 этаже здания при помощи всего одного клика на пульте дистанционного управления.
- Насколько устойчиво к истиранию покрытие роллетных ворот?
Лакокрасочное покрытие профилей «АЛЮТЕХ» — уникальное, толщина покрытия составляет до 30 мкм. Оно устойчиво не только к истиранию, но и к царапинам, растрескиванию, отслаиванию, УФ-излучению и коррозии. Покрытие выдерживает 5 000 циклов подъемов-опусканий без потертостей до металла. Это около 10 лет ежедневного пользования.
- Чем отличаются роллеты для наружного и внутреннего использования? Какие стоят дешевле?
Отличий нет, внутренние и наружные рольставни «АЛЮТЕХ» – это одинаковые конструкции. Зато есть разница между изделиями разных серий. Рольставни экономичной серии Trend обладают базовой антивандальной защитой. Роллеты Prestige – улучшенной взломостойкостью и разнообразием вариантов оформления. Изделия серии Security – максимальной защитой от злоумышленников.
Стоимость роллет зависит только от их серии, размера, цвета и комплектации.
- Хочу установить встречные откатные ворота. Можно ли синхронизировать работу 2 приводов Roteo, чтобы открывать обе створки 1 кнопкой?
Да. В данном случае подключить комплект автоматики для откатных ворот (состоящий из 2 электроприводов Roteo) необходимо по схеме:

- Что влияет на окончательную стоимость откатных ворот?
На окончательную стоимость изделия влияют: размеры, материал и цвет заполнения, дополнительные опции.
В расчете калькулятора не учитывается стоимость доставки и установки на объекте заказчика, которые оговариваются отдельно.
Окончательный расчет откатных ворот выполняет официальный партнер после выезда замерщика на объект для выяснения особенностей участка и пожеланий заказчика.
При выборе автоматического управления учитывается стоимость только электропривода без учета дополнительных аксессуаров безопасности.
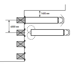
- Возможна ли установка нескольких перегрузочных тамбуров вплотную друг к другу?
Перегрузочные тамбуры можно установить вплотную друг к другу. Однако при одновременной парковке грузовиков к соседним постам такое решение может создать затруднения для персонала склада и перевозчика с открытием дверей кузова и кабины. Поэтому при проектировании рекомендуется предусмотреть расстояние между осями перегрузочных постов не менее 4000 мм. Это обеспечит беспрепятственное и комфортное открывание дверей кузова грузовика, а также дверей кабины для свободного доступа к ней водителя.

Более подробную информацию вы сможете найти в каталоге технических решений.
Мы проконсультируем вас по любому вопросу о продукции «АЛЮТЕХ»











